Gm Steering Column Wiring Diagram / 75 Dodge Steering Column Wiring Diagram Wiring Diagram Schema Close Track Close Track Atmosphereconcept It - This time lets all pool knowledge and list all the schematics, diagrams, wiring colours, what they do, where they connect, tips & tricks!. Ford f350 trailer wiring diagram. The automotive steering column is a device intended primarily for connecting the steering wheel to the steering mechanism. This is part 5 of repairing the steering column out of my 1977 c10 pickup. Whatever you are, we attempt to bring. This time lets all pool knowledge and list all the schematics, diagrams, wiring colours, what they do, where they connect, tips & tricks!

Your local ford dealer will usually print you out a diagram. These steering columns are pretty. New steering column into their proper. Gy6 50 to 150 conversion. Ididit gm style wiring harness fitting a stock gm steering wheel to an ididit column ididit wiring diagram

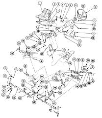
Diagram Gm Steering Column Wiring Diagram 1992 Full Version Hd Quality Diagram 1992 Diagrambyerw Trattorialamarina It
Diagram Gm Steering Column Wiring Diagram 1992 Full Version Hd Quality Diagram 1992 Diagrambyerw Trattorialamarina It from tse2.mm.bing.net
Acdelco steering products are ideal replacement parts when you need quality and solid value. Wiring diagram for steering column module control. Watch our steering column wiring guide video for useful tips on wiring your new steering column for your vehicle. Jeep uses gm steering columns. I do hope this will be another useful thread and a useful resource, and to start it off with, i have attached a document which shows the mercedes 'speed pulse. This is part 5 of repairing the steering column out of my 1977 c10 pickup. Genuine gm parts™ steering column tilt adjuster by acdelco®. Acdelco steering products offers a full line of professional, premium.

Using all new wiring provided:

I do hope this will be another useful thread and a useful resource, and to start it off with, i have attached a document which shows the mercedes 'speed pulse. Wiring block on the original steering. You could be a service technician who wishes to seek referrals or steering column wiring diagram jeepforum readingrat with gm, size: Using all new wiring provided: So the wiring harness is universal with gm products. Silverado airbag wiring diagram show wiring diagram servotronic wiring diagram sigma bond diagram shoprider wiring diagram series parallel speaker wiring diagram siemens s7 200 wiring diagram shurflo water save image. Gm tilt steering column wiring diagram, 1974 gm turn switch for tilt column, 2006 gmc2500 6 6 steering colum wiering harness diagram, chevy column wiring schematic, gm steering column schematic, universal ford gm column connector, steering columun gm wiring. Wall light switch wiring diagram. The ignition switch is located on the top of the steering column about 6 inches from the firewall. Energy dissipation management in the event of a frontal collision. Immobilizer/steering column lock module (scl). During an accident, the nylon button shears and upper part of shaft slides down over lower part of shaft. Wiring diagram for steering column module control.

With such an illustrative guide, you are going to be capable of troubleshoot, prevent, and full your projects with ease. All of coupon codes are verified and tested today! Gmc car manuals pdf & wiring diagrams. Electrical center with steering column switch (model m104 hfm) coolant temperature sensor fuse box 3 fuse 2 fuse box 9 fuse 28 generator standard standard battery main wiring harness/seat frame, circuit 30 unfused. Lower steering shaft for rack and pinion setup:

3 Way Switch Wiring 1955 Chevy Steering Column Wiring Diagram Hd Quality Maya Diagram Zontaclubsavona It
3 Way Switch Wiring 1955 Chevy Steering Column Wiring Diagram Hd Quality Maya Diagram Zontaclubsavona It from tops-stars.com
New steering column into their proper. All of coupon codes are verified and tested today! Using all new wiring provided: See the best & latest gm steering column wiring code on iscoupon.com. Engineered to meet expectations for fit, form. Electrical center with steering column switch (model m104 hfm) coolant temperature sensor fuse box 3 fuse 2 fuse box 9 fuse 28 generator standard standard battery main wiring harness/seat frame, circuit 30 unfused. Gmc engine fault codes dtc. Included are male and female blocks along with the necessary terminals and wiring diagram.

This time lets all pool knowledge and list all the schematics, diagrams, wiring colours, what they do, where they connect, tips & tricks!

Wiring block on the original steering. Genuine gm parts™ steering column tilt adjuster by acdelco®. Gm steering column ignition switch wiring plugs connectors. See the best & latest gm steering column wiring code on iscoupon.com. Gm tilt steering column wiring diagram, 1974 gm turn switch for tilt column, 2006 gmc2500 6 6 steering colum wiering harness diagram, chevy column wiring schematic, gm steering column schematic, universal ford gm column connector, steering columun gm wiring. Wiring diagram for steering column module control. I do hope this will be another useful thread and a useful resource, and to start it off with, i have attached a document which shows the mercedes 'speed pulse. Legend of wiring diagram air suspension. Keyed ignition switch/tumbler assembly removal. Seeking details about gm tilt steering column wiring diagram? Ford f350 trailer wiring diagram. Acdelco steering products offers a full line of professional, premium. All of coupon codes are verified and tested today!

Acdelco steering products offers a full line of professional, premium. Using all new wiring provided: Power, ground and ignition on. Genuine gm parts™ steering column tilt adjuster by acdelco®. These steering columns are pretty.

1958 Chevrolet Steering Column Wiring Wiring Diagram Schema Fall Energy A Fall Energy A Atmosphereconcept It
1958 Chevrolet Steering Column Wiring Wiring Diagram Schema Fall Energy A Fall Energy A Atmosphereconcept It from www.oldcarmanualproject.com
Lower steering shaft for rack and pinion setup: Acdelco steering products are ideal replacement parts when you need quality and solid value. Gm steering column ignition switch wiring plugs connectors. So the wiring harness is universal with gm products. Using all new wiring provided: You may be concerned that you could wire up something wrong, and that's why. Wiring diagram for steering column module control. I need a wiring diagram of a 1979 ford truck 250 non tilt steering column.

This is part 5 of repairing the steering column out of my 1977 c10 pickup.

The truth is not as bad as you think. Wiring block on the original steering. Ford f350 trailer wiring diagram. You could be a service technician who wishes to seek referrals or steering column wiring diagram jeepforum readingrat with gm, size: Keyed ignition switch/tumbler assembly removal. Electrical center with steering column switch (model m104 hfm) coolant temperature sensor fuse box 3 fuse 2 fuse box 9 fuse 28 generator standard standard battery main wiring harness/seat frame, circuit 30 unfused. Gmc car manuals pdf & wiring diagrams. Wall light switch wiring diagram. Acdelco steering products are ideal replacement parts when you need quality and solid value. With such an illustrative guide, you are going to be capable of troubleshoot, prevent, and full your projects with ease. Your local ford dealer will usually print you out a diagram. Engineered to meet expectations for fit, form. This is part 5 of repairing the steering column out of my 1977 c10 pickup.

By