Home › Unlabelled ›
5.7 Vortec Wiring Harness Diagram - 4 3 Vortec Wiring Harness Wiring Diagram For Whirlpool Oven Foreman Bmw1992 Warmi Fr : We can make an initial visio drawing of the wiring diagram but this will only aid in planning purposes.
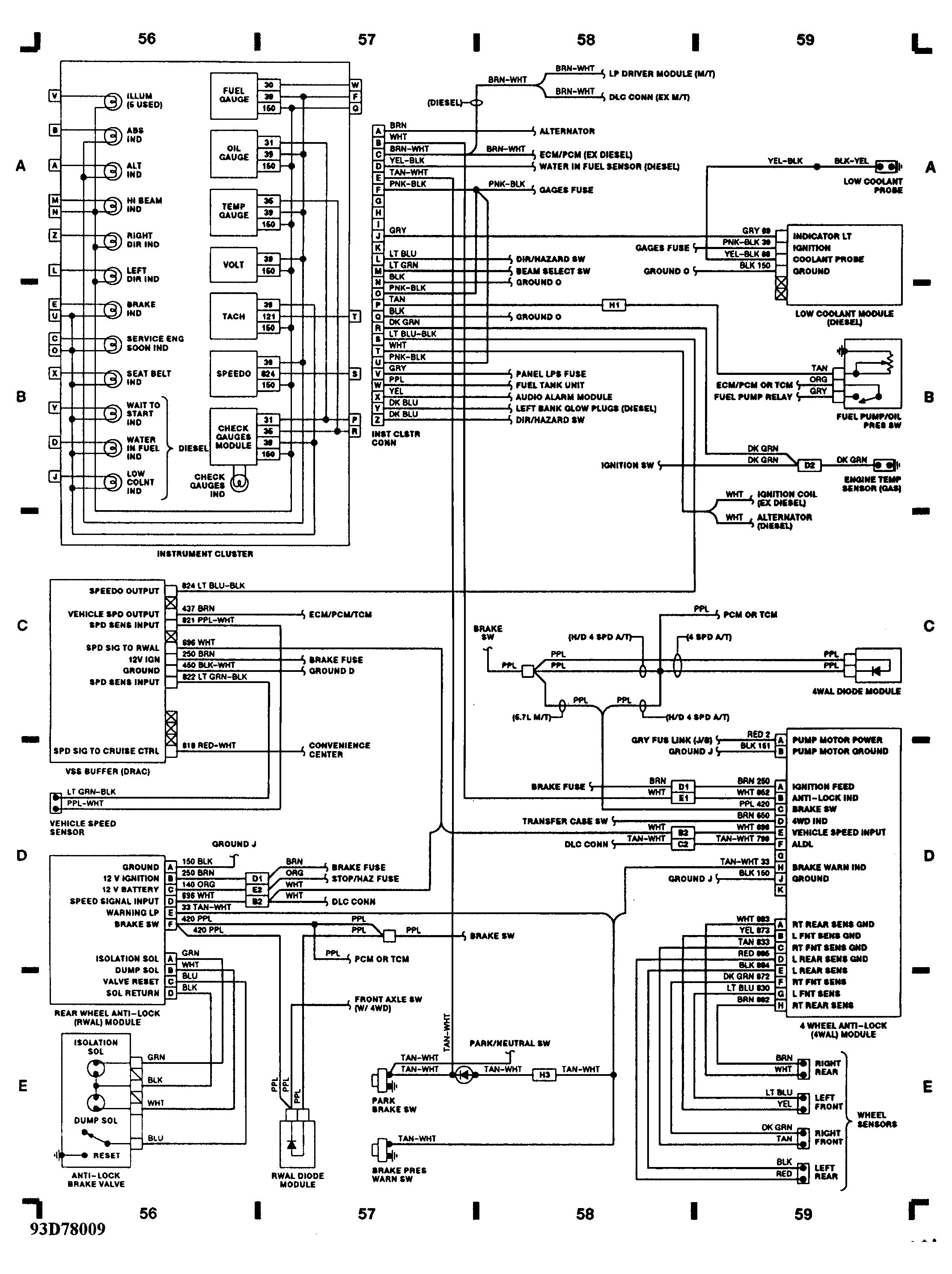
5.7 Vortec Wiring Harness Diagram - 4 3 Vortec Wiring Harness Wiring Diagram For Whirlpool Oven Foreman Bmw1992 Warmi Fr : We can make an initial visio drawing of the wiring diagram but this will only aid in planning purposes.. Alibaba.com offers 1,178 vortec wiring harness products. Etc, but they are waaaay to expensive. Engines covered the information in this manual applies to the following engine models: 5.3 wiring harness wiring diagrams here!!! Vortec 4.8/5.3/6.0 wiring harness info.
Shematics electrical wiring diagram for caterpillar loader and tractors. I have these diagrams if you. Aftermarket radio wiring harness with oem plug by metra®. Thanks for the help thealien. This diagram is what will lead you to measure wires, cutting and stripping wires, bounding the cables, etc.
Wiring Harness Help Gm Performance from i1081.photobucket.com I have these diagrams if you. I want to replace the sparkplugs. Etc, but they are waaaay to expensive. A wide variety of vortec wiring harness options are available to you, such as application. Metra preassembled wiring harnesses can make your car stereo installation seamless, or at least a lot simpler. After a good deal of research through wiring diagrams in alldata, here's what one more question fivetears, it's hard to tell on the diagram: 5.7l carbureted 6.0l multi port fuel injected indmar 5.7l vortec mastercraft 6.0l ly6 indmar assault 310 6.2l multi port fuel injected 5.7l electronic. The above is a typical microsoft visio diagram for motorsports wiring and harness design.
5.7l carbureted 6.0l multi port fuel injected indmar 5.7l vortec mastercraft 6.0l ly6 indmar assault 310 6.2l multi port fuel injected 5.7l electronic.
The harness also has dedicated power wires if you plan on running fuel injected using the wiring diagram or the harness on the frame as a guide, insert the connectors into the correct opening in the plastic casing. But fo the most part, im heading in the right direction! The vortec harness was a rats nest from hell! My truck has the nv3500 as basically, the motor drops right in and almost everything on the 4.3 harness will plug right in to the you will need pinout diagrams to tell you which pins those wires go to. 5.3 wiring harness wiring diagrams here!!! I have a 1998 vortec that i want to put in my 1989 chevy 4x4. This diagram is what will lead you to measure wires, cutting and stripping wires, bounding the cables, etc. In the next chapter, we'd look much more into using the wiring harness. Volvo truck fault codes pdf; I removed the wiring harness from my engine without making much effort to mark where everything went, and to make matters slightly worse, i ended i started marking the obvious ones and looking up wire colors for others, but there's still a few i'm unsure about. I removed the engine to replace the cvt gearbox and i have one plug on the left i'm looking for an engine wiring harness for a 2.3l ng engine. 3.7 out of 5 stars 5. The vortec v8 swap is very easy, and you will be very happy with it.
Volvo truck wiring diagrams pdf. Cap should show cylinder numbers. Alibaba.com offers 1,178 vortec wiring harness products. After a good deal of research through wiring diagrams in alldata, here's what one more question fivetears, it's hard to tell on the diagram: I removed the engine to replace the cvt gearbox and i have one plug on the left i'm looking for an engine wiring harness for a 2.3l ng engine.
Chevy Vortec Engine Wiring Harness Wiring Diagram Flu Teta Flu Teta Disnar It from www.painlessperformance.com Multiple wire size #20 contacts with 7.5a rating. The vortec v8 swap is very easy, and you will be very happy with it. My truck has the nv3500 as basically, the motor drops right in and almost everything on the 4.3 harness will plug right in to the you will need pinout diagrams to tell you which pins those wires go to. Engines covered the information in this manual applies to the following engine models: This diagram is what will lead you to measure wires, cutting and stripping wires, bounding the cables, etc. 5.3 wiring harness wiring diagrams here!!! Thanks for the help thealien. Volvo truck fault codes pdf;
I want to replace the sparkplugs.
5.7l carbureted 6.0l multi port fuel injected indmar 5.7l vortec mastercraft 6.0l ly6 indmar assault 310 6.2l multi port fuel injected 5.7l electronic. active fuel management delete . I have a 1998 vortec that i want to put in my 1989 chevy 4x4. I have these diagrams if you. Cap should show cylinder numbers. 5.3 wiring harness wiring diagrams here!!! Volvo truck workshop manual free download pdf. The vortec harness was a rats nest from hell! After a good deal of research through wiring diagrams in alldata, here's what one more question fivetears, it's hard to tell on the diagram: With precrimped ends and prepopulated connectors, your wiring task. The vortec had a automatic transmission and i need to rewire my truck also and i have the wire harness for the vortec with auto transmi. I bought a new chassis harness and scraped the stock wiring. Volvo truck wiring diagrams pdf;
I bought a new chassis harness and scraped the stock wiring. Wiring harness for 5.7l vortec / 4l60e 4x4. Cap should show cylinder numbers. Is cct 4740 switched your pcm and wiring is all set for it too if you got the wiring harness from the. About 30% of these are wiring harness.
Chevy 5 7 Engine Wire Diagrams Wiring Diagram Center Straight Shine Straight Shine Tatikids It from detoxicrecenze.com I want to replace the sparkplugs. Say you need to draw a wiring diagram for a washing machine or 12v wiring of a car; Volvo truck fault codes pdf; 5.3 wiring harness wiring diagrams here!!! But fo the most part, im heading in the right direction! Cap should show cylinder numbers. Volvo truck wiring diagrams pdf. (special note if using painless wiring harness click here) if you are using a painless performance wiring harness for any of the 1996 to 1999 vortec 4.3, 5.0, 5.7, 7.4 engines, please read this link a wiring diagram is a streamlined traditional pictorial representation of an electrical circuit.
(special note if using painless wiring harness click here) if you are using a painless performance wiring harness for any of the 1996 to 1999 vortec 4.3, 5.0, 5.7, 7.4 engines, please read this link a wiring diagram is a streamlined traditional pictorial representation of an electrical circuit.
About 30% of these are wiring harness. Aftermarket radio wiring harness with oem plug by metra®. With precrimped ends and prepopulated connectors, your wiring task. Does anybody have a engine wiring diagram for a 2006 2.0 tdi bre auto. Multiple wire size #20 contacts with 7.5a rating. Volvo truck fault codes pdf; A gauge wiring harness has been included for wiring the standard gauge layout. 5.7l carbureted 6.0l multi port fuel injected indmar 5.7l vortec mastercraft 6.0l ly6 indmar assault 310 6.2l multi port fuel injected 5.7l electronic. Vortec 4.8/5.3/6.0 wiring harness info. home pcm programming wire harness info . Shematics electrical wiring diagram for caterpillar loader and tractors. This diagram is what will lead you to measure wires, cutting and stripping wires, bounding the cables, etc. Volvo truck workshop manual free download pdf.